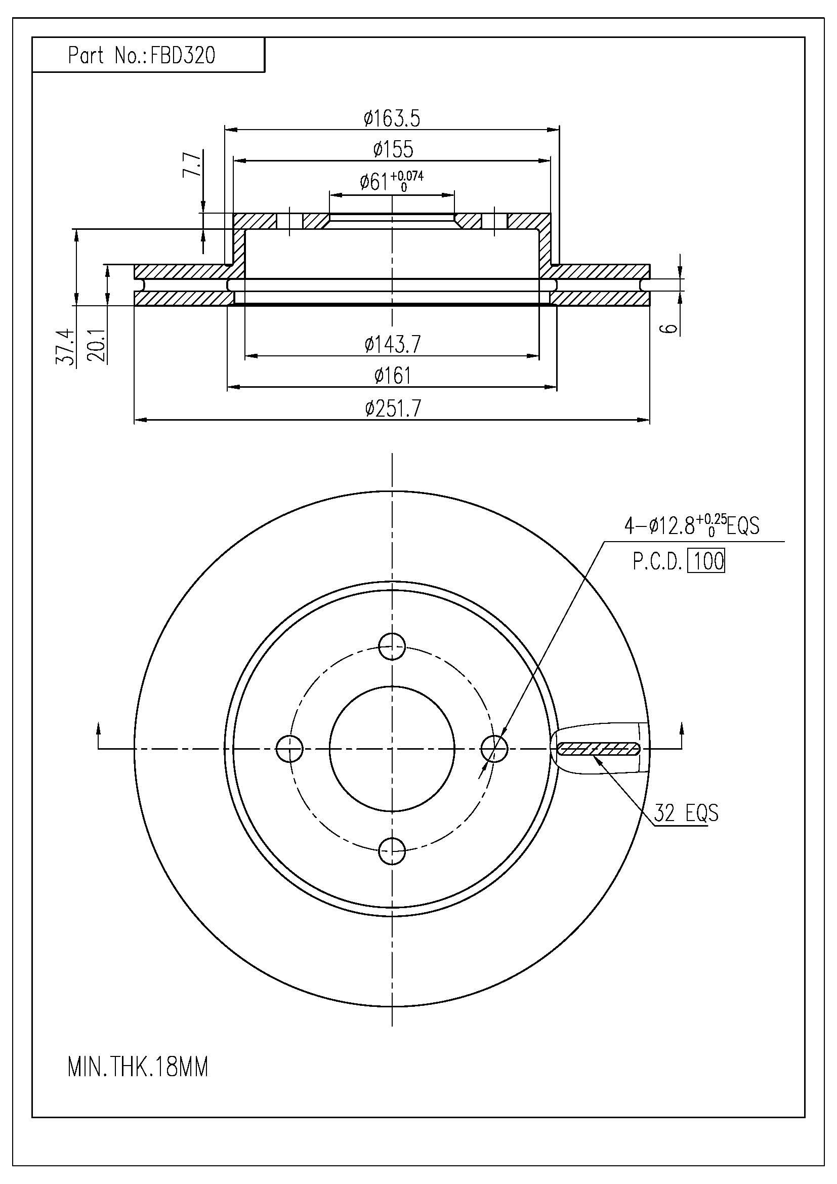
Λεπτομέρειες
- Υψος [mm]: 45,1 mm
- Βάρος [kg]: 4,9 kg
- Τύπος δισκόφρενων: εσωτερικά αεριζόμενο
- Πάχος δισκόπλακας [mm]: 20 mm
- Ελάχιστο πάχος [mm]: 18 mm
- Πατρόν τρύπας/αριθμός τρυπών: 04/04
- Εξωτερική διάμετρος [mm]: 252 mm
- Διάμετρος κέντρωσης [mm]: 61 mm
- Διάμετρος κύκλου οπής [mm]: 100 mm
- Συμπληρωματικό προϊόν/ πληροφορίες 2: χωρίς μπουλόνια στερέωσης
- μήκος συσκευασίας [cm]: 30
- πλάτος συσκευασίας [cm]: 28,5
- ύψος συσκευασίας [cm]: 10
Γράψτε τη Δικιά σας Αξιολόγηση
- 4X4 ESTANFI: EST6001111C
- A.B.S.: 16990
- ABE: C31069ABE
- ACKOJA: A3880004
- ACKOJAP: A3880004
- AKEBONO: BN0635
- AKEBONO: BN0635E
- APEC: DSK2409
- ASHIKA: 6001111
- ASHIKA: 6001111C
- ASHIKA: 60-01-111
- ASHUKI by Palidium: 09902801
- ASHUKI by Palidium: D79015
- ATE: 24.0120-0203.1
- ATE: 24012002031
- ATE: 420203
- AUGROS: 5290426P
- AUTO-SPEED PARTS: 290BK01275
- BENDIX: 562424B
- BENDIX Braking: BDI1357
- BLUE PRINT: ADN14397
- BORG & BECK: BBD4518
- BOSCH: 0986479238
- BOSCH: 0 986 479 238
- Brake ENGINEERING: DI956383
- BRAXIS: AE0523
- BREMSI: CD7885V
- BREMSI: DBB885V
- CAR: 1421037
- CAR: HPD1037
- CIFAM: 8001578
- COMLINE: ADC0262V
- COMLINE: AND6878
- CPB: 525159
- DACO Germany: 602290
- DEEVO: BD17780
- DELPHI: BG3932
- DENCKERMANN: B130161
- DJ PARTS: BD2659
- DON: PCD16022
- Dr!ve+: DP1010111231
- DVSEQHJP: 4063100609
- DYNAMATRIX: DBD1885
- E.T.F.: 190603
- EBC BRAKES: D1189
- EDR: RAD1968C
- EUROBRAKE: 5815202269
- EUROBRAKE: 5815312269
- EUROREPAR: 1642761680
- FEBI BILSTEIN: 108648
- FERODO: DDF18851
- FERODO: DDF1885
- FI.BA: FBD320
- FIT: FR0282V
- FOMAR Friction: FO2899
- fri.tech.: BD0906
- FRITECH: BD0906
- FTE: BS5026B
- FTE: BS5026
- FTE: 9082348
- GALFER: B1G22002031
- GIRLING: 6042541
- HART: 230984
- HELLA: 8DD 355 112-961
- HELLA: 8DD355112961
- HELLA PAGID: 8DD355112961
- HELLA PAGID: 355112961
- HERTH+BUSS JAKOPARTS: J3301082
- IJS GROUP: 802277
- IPS Parts: IBT1107
- ITN: 102300024
- JAPANPARTS: DI111C
- JAPANPARTS: DI111
- JAPANPARTS: DI-111
- JAPKO: 60111C
- JAPKO: 60111
- JP GROUP: 4063100600
- JP GROUP: 4063100609
- JPN: 30H1041JPN
- JURATEK: NIS133
- JURID: 562424JC
- JURID: 562424J
- KAGER: 370701
- KAISHIN: CBR210
- KAVO PARTS: BR6781C
- KAWE: 676110
- LPR: N2000V
- LYNXauto: BN1780
- MAGNETI MARELLI: 600000086660
- MAPCO: 47501
- MAPCO: 45505
- MASTER-SPORT GERMANY: 24012002031SETMS
- MASTER-SPORT GERMANY: 202002030
- MASTER-SPORT GERMANY: 24012002031PCSMS
- MAXGEAR: 191850SPORT
- MAXGEAR: 191850
- MAXTECH: 8571366060
- MAXTECH: 8571366980
- MAXTECH: 8571360000
- MAXTECH: 8571360080
- MAXTECH: 8571360060
- MAXTECH: 8571366880
- MAXTECH: 857136
- MDR: MFD2111
- METELLI: 231578
- MEYLE: 36-15 521 0046/PD
- MEYLE: 36155210046
- MEYLE: 36155210046PD
- MEYLE: 36-15 521 0046
- MILES: K000062
- MINTEX: MDC1730
- MOTAQUIP: LVBD1123Z
- MOTRIO: 8671019250
- NATIONAL: NBD1357
- NiBK: RN1170
- NIPPARTS: J3301082
- NISSAN: 402062N301
- NISSAN: D02062N30AVA
- NISSAN: 4020662Y01
- NK: 312269
- NK: 202269
- NPS: N330N90
- OPEN PARTS: BDA213120
- OPTIMAL: BS7898
- OPTIMAL: BS7898C
- Oyodo: 30H1041OYO
- PAGID: 54488
- PATRON: PBD4254
- PEMEBLA: JAPDI111
- PROTECHNIC: PRD2738
- QUINTON HAZELL: BDC5026
- RAICAM: RD00177
- RECOFICIAL: 802277
- RED-LINE: 26NI024
- REMSA: 676110
- REMSA: 6761.10
- REMY: RAD1968
- REMY: RAD1968C
- RIDEX: 82B0840
- ROADHOUSE: 676110
- ROTINGER: RT2838GLT3
- ROTINGER: RT2838GLT9
- ROTINGER: RT2838GLT6
- ROTINGER: RT2838GLT5
- ROTINGER: RT2838
- ROTINGER: RT2838GL
- SAKURA: 604104147
- SAMKO: N2000V
- SB: BR22120T
- sbs: 1815312269
- sbs: 1815202269
- SIGMAUTO: DBB885V
- ST-TEMPLIN: 0311023385
- ST-TEMPLIN: 5311023380
- ST-TEMPLIN: 0311023380
- ST-TEMPLIN: 5311123380
- Stark: SKBD0022990
- STARMANN: TS1875
- STELLOX: 60202269VSX
- TEXTAR: 92148800
- TEXTAR: 98200148801
- TRISCAN: 812014156
- TRISCAN: 812014156C
- TRUSTING: DF906
- TRW: DF4254
- TRW: DF4254S
- VAICO: V3880004
- VALEO: 197642
- WOKING: D676110
- WVA: 98200 1488 0 1
- WVA: 98200 1488
- ZEKKERT: BS5672



