Λεπτομέρειες
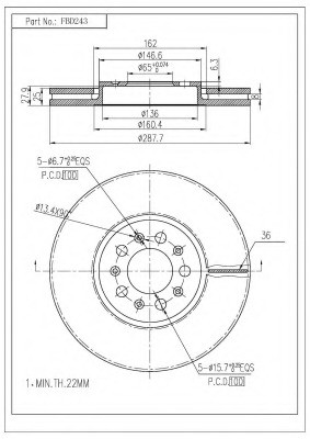
- Υψος [mm]: 34,4 mm
- Βάρος [kg]: 7,1 kg
- Τύπος δισκόφρενων: εξωτερικά αεριζόμενο
- Πάχος δισκόπλακας [mm]: 25 mm
- Ελάχιστο πάχος [mm]: 22 mm
- Πατρόν τρύπας/αριθμός τρυπών: 05/10
- Εξωτερική διάμετρος [mm]: 288 mm
- Διάμετρος κέντρωσης [mm]: 65 mm
- Διάμετρος κύκλου οπής [mm]: 100 mm
- Συμπληρωματικό προϊόν/ πληροφορίες 2: χωρίς μπουλόνια στερέωσης
- μήκος συσκευασίας [cm]: 32,5
- πλάτος συσκευασίας [cm]: 31
- ύψος συσκευασίας [cm]: 8
Γράψτε τη Δικιά σας Αξιολόγηση
- A.B.S.: 16882
- ABE: C3S012ABE
- ALANKO: 10303102
- APEC braking: DSK957
- ATE: 24.0125-0113.1
- ATE: 24.0325-0113.1
- AUDI: 6R0615301A
- AUDI: 1J0615301
- AUDI: 1J0615301C
- AUDI: 1J0615301K
- AUDI: 1J0615301R
- AUDI: 1J0615301S
- AUDI: JZW615301D
- AUTOMOTOR France: ADC3753
- AUTOMOTOR France: PDC3753
- BARUM: BAR25113
- BENDIX: 562041B
- BENDIX: 562041BC
- BLUE PRINT: ADV184309
- BORG & BECK: BBD4105
- BOSCH: 0 986 478 867
- Brake ENGINEERING: DI955637
- BRECK: BR 353 VA100
- BREMBO: 09.7010.20
- BREMSI: DBB221V
- CIFAM: 800-365
- COMLINE: ADC1420V
- COMLINE: AND6062
- DELPHI: BG3035
- DELPHI: BG3035C
- DENCKERMANN: B130265
- E.T.F.: 19-5604
- EUROBRAKE: 5815204760
- FEBI BILSTEIN: 19370
- FERODO: DDF1221
- FERODO: DDF1221C
- FRIGAIR : DC10.107
- FRITECH: BD0468
- FRITECH: BD0414
- FTE: BS4735HB
- FTE: BS4735B
- FTE: BS4735
- GALFER: B1.G225-0113.1
- GIRLING: 6040271
- HELLA: 8DD 355 107-611
- JP GROUP: 1163101009
- JP GROUP: 1163101000
- JURATEK: VAG104
- JURID: 562041J
- JURID: 562041JC
- KEY PARTS: KBD4105
- KRAFT AUTOMOTIVE: 6046530
- LPR: A1451V
- MAGNETI MARELLI: 353615830240
- MASTER-SPORT: 24012501131-PCS-MS
- MASTER-SPORT: 24012501131-SET-MS
- MASTER-SPORT: 24012501131SE-PCS-
- MASTER-SPORT: 24012501131SE-SET-
- METELLI: 23-0365
- METZGER: 6110049
- MEYLE: 1 15 521 1051
- MEYLE: 183 521 1051/PD
- MINTEX: MDC979
- MOTAQUIP: LVBE243Z
- NATIONAL: NBD875
- NK: 204760
- NK: 314760
- OPEN PARTS: BDA1667.20
- OPEN PARTS: BDR1667.20
- OPTIMAL: BS-8030C
- OPTIMAL: BS-8030
- QUINTON HAZELL: BDC4735
- REMSA: 6544.10
- sbs: 1815204760
- sbs: 1815314760
- SEAT: 1J0615301
- SEAT: 1J0615301R
- SEAT: 1J0615301K
- SEAT: 6R0615301A
- SEAT: 1J0615301S
- SEAT: 1J0615301C
- SEAT: JZW615301D
- SKODA: JZW61301D
- SKODA: 1J0615301S
- SKODA: 1J0615301
- SKODA: 1J0615301C
- SKODA: 1J0615301K
- SKODA: 1J0615301R
- SKODA: 6R0615301A
- ST-TEMPLIN: 53.110.30200
- ST-TEMPLIN: 53.111.30200
- STOP: 562041S
- SWAG: 30 91 9370
- TEXTAR: 92106600
- TEXTAR: 92106603
- TOPRAN: 107 682
- TRUSTING: DF414
- TRUSTING: DF468
- TRW-LUCAS: DF4027
- VAICO: V10-80044
- VALEO: 197230
- VOLKSWAGEN: 1J0615301
- VOLKSWAGEN: 1J0615301S
- VOLKSWAGEN: 1J0615301C
- VOLKSWAGEN: 1J0615301K
- VOLKSWAGEN: 1J0615301R
- VOLKSWAGEN: 6R0615301A
- VOLKSWAGEN: JZW615301D
- WAGNER: WGR1221-1
- WVA: 98200 1066
- WVA: 98200 1066 0 1
- ZIMMERMAN: 100.1235.52
- ZIMMERMAN: 100.1235.20



