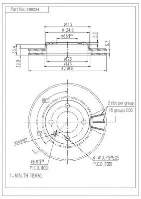
Λεπτομέρειες
- Υψος [mm]: 38,7 mm
- Βάρος [kg]: 3,8 kg
- Τύπος δισκόφρενων: εσωτερικά αεριζόμενο
- Πάχος δισκόπλακας [mm]: 20 mm
- Ελάχιστο πάχος [mm]: 18 mm
- Πατρόν τρύπας/αριθμός τρυπών: 04/05
- Εξωτερική διάμετρος [mm]: 239 mm
- Διάμετρος κέντρωσης [mm]: 65 mm
- Διάμετρος κύκλου οπής [mm]: 100 mm
- Συμπληρωματικό προϊόν/ πληροφορίες 2: χωρίς μπουλόνια στερέωσης
- μήκος συσκευασίας [cm]: 27
- πλάτος συσκευασίας [cm]: 25,5
- ύψος συσκευασίας [cm]: 10
Γράψτε τη Δικιά σας Αξιολόγηση
- 4U Autoparts: 52543VV
- 4X4 ESTANFI: EST60000939C
- 4X4 ESTANFI: EST60000939
- A.B.S.: 15704
- A.B.S.: 15704OE
- A.B.S.: 09476514
- ABE: C3W012ABE
- ACEMARK: 242723
- AIC: 53612
- AISIN: X6F948S
- AKEBONO: BN0083E
- AKEBONO: BN0083
- AKRON-MALÒ: 1110070
- ALANKO: 10303253
- ALANKO: 10304880
- AP: 20024E
- AP: X20024
- AP XENERGY: X602057
- APEC: SDK6207
- APEC: DSK116
- APEC: DK6207
- ASAM: 71731
- ASAM: 71736
- ASHIKA: 60000939C
- ASHIKA: 60000939
- ASHUKI by Palidium: P330036
- ATE: 24032001231
- ATE: 24012001231
- ATE: 520123
- ATE: 24.0320-0123.1
- ATE: 24.0120-0123.1
- ATE: 420123
- AUDI: 321615301C
- AUDI: 321615301A
- AUDI: JZW615301K
- AUDI: 321615301B
- AUDI: 841615301
- AUDI: 6N0615301G
- AUDI: 3256152891
- AUGROS: 5293814P
- AUTO-SPEED PARTS: 290BK00348
- AUTOMEGA: 120033610
- Automotive RYME: 17536
- Automotive RYME: 17556
- AutomotiveAdriado: GLBD0164
- BARUM: BAR20123
- BENDIX: 561178B
- BENDIX: 520093
- BENDIX: 561178BC
- BENDIX Braking: BDS1170
- BENDIX Braking: BDI035
- BLUE PRINT: ADV184350
- BORG & BECK: BBD4168
- BOSCH: 0986BB4045
- BOSCH: 0986479U13
- BOSCH: BD028
- BOSCH: 0 986 478 017
- BOSCH: 0986BB4028
- BOSCH: 0986478017
- BOSCH: 0986478013
- BRADI: 1580624
- BRADI: 101102E
- BRADI: 1011024
- Brake ENGINEERING: DI939721
- BRAXIS: AE0038
- BRECK: BR321VA100
- BRECK: BR 321 VA100
- BRECO: BS7901
- BREMBO: 09476575
- BREMBO: 09476514
- BREMBO: 09.4765.14
- BREMBO: 09476510
- BREMBO: 9476514
- BREMBO: 09476511
- BREMSI: CD6175V
- BREMSI: DBA175V
- BSF: 11018V
- BSG: BSG90210031
- CAR: HPD715
- CAR: 142715
- CASALS: 20128
- CHAMPION: 561178CH
- CIDAK: CBD1135
- CIFAM: 800170
- CIFAM: 800-170
- COMLINE: AND6404
- COMLINE: ADC1404V
- CPB: 525018
- CWORKS: C210R0060
- DACO Germany: 604720
- DELPHI: BG2109
- DELPHI: BG109
- DENCKERMANN: B130021
- DIAMAX: N08136
- DIAMAX: N08136P
- DJ PARTS: BD1978
- DON: PCD11072
- Dr!ve+: DP1010110351
- DÜKER: 70091
- DVSEQHJP: 1163102109
- DYNAMATRIX: DBD175C
- DYNAMATRIX: DBD175
- E.T.F.: 193975
- EBC BRAKES: GD095
- EBC BRAKES: USR095
- EBC BRAKES: D095
- EDR: RAD1223C
- EGT: 410027cEGT
- EGT: 410027EGT
- EQUAL QUALITY: DF1094
- EQUAL QUALITY: DF1094C
- EUROBRAKE: 5815204724
- EUROBRAKE: 5815314724
- EUROREPAR: 1686337280
- EUROREPAR: 1618884580
- FARCOM: 230729
- FEBI BILSTEIN: 23574
- FEBI BILSTEIN: 2121
- FEBI BILSTEIN: 08557
- FEBI BILSTEIN: 8557
- FENOX: TB217151
- FERODO: DDF175D
- FERODO: DDF175C1
- FERODO: DDF175C
- FERODO: DDF175
- FERODO: DDF175X
- FERODO: DDF1751
- FI.BA: FBD234
- FIT: FR0390V
- FOMAR Friction: FO2038
- FREMAX: BD3975
- fri.tech.: DF242
- fri.tech.: BD0242
- FRIGAIR : DC10.113
- FRIGAIR: DC10113
- FRITECH: BD0242
- FTE: BS3309B
- FTE: 9082031
- FTE: BS3309
- FTE: 9072031
- GALFER: B1G22001231
- GALFER: B1.G220-0123.1
- GH: GH409953
- GIRLING: 6015171
- GRAF: DF29170
- HART: 214316
- HART: 241053
- HELLA: 8DD355100192
- HELLA: 8DD355100191
- HELLA: 530032876
- HELLA: 8DD355100181
- HELLA: 8DD355123601
- HELLA: 8DD 355 100-191
- HELLA PAGID: 8DD355123601
- HELLA PAGID: 8DD355100181
- HELLA PAGID: 8DD355100191
- HELLA PAGID: 8DD355100192
- HELLA PAGID: 355100192
- HELLA PAGID: 355100191
- HELLA PAGID: 355100181
- HELLA PAGID: 355123601
- ICER: 78BD39752
- IJS GROUP: 801041
- ITN: 10230170
- JAPANPARTS: DI0939C
- JAPANPARTS: DI0939
- JAPKO: 600939
- JAPKO: 600939C
- JP GROUP: 1163102109
- JP GROUP: 615401002ALT
- JP GROUP: 1163110000
- JP GROUP: 1163102100
- JURATEK: VAG127
- JURID: 561178J1
- JURID: 561178JC
- JURID: 8290024
- JURID: 561178J
- KAGER: 370345
- KAMOKA: 103350
- KAWE: 608410
- KLAXCAR FRANCE: 25147z
- KRAFT AUTOMOTIVE: 6040110
- KRAFTVOLL GERMANY: 07040227
- KWP: 129170
- LEMFÖRDER: 1012403
- LPR: A1071VR
- LPR: A1071V
- LYNXauto: BN1227
- MAGNETI MARELLI: 360704004500
- MAGNETI MARELLI: 361302040268
- MAGNETI MARELLI: 351011020500
- MAGNETI MARELLI: 360406000900
- MAGNETI MARELLI: 431602040040
- MAGNETI MARELLI: 360406000905
- MANDO: MBC035339
- MAPCO: 15770
- MAPCO: 47850
- MASTER-SPORT: 24012001231-PCS-MS
- MASTER-SPORT: 24012001231-SET-MS
- MASTER-SPORT GERMANY: 24012001231PCSMS
- MASTER-SPORT GERMANY: 202001230
- MASTER-SPORT GERMANY: 24012001231SETMS
- MAXGEAR: 190755SPORT
- MAXGEAR: 19-0755SPORT
- MAXGEAR: 190755
- MAXGEAR: 190755MAX
- MAXGEAR: 19-0755
- MAXTECH: 8710056060
- MAXTECH: 8710056880
- MAXTECH: 8710050000
- MAXTECH: 8710056980
- MAXTECH: 8710050060
- MAXTECH: 8710050080
- MAXTECH: 871005
- METELLI: 230170
- METELLI: 23-0170
- METZGER: 20024E
- METZGER: 6110042
- METZGER: X20024
- METZGER: 608410
- MEYLE: 1155211002
- MEYLE: 115 521 1002/PD
- MEYLE: 1155211002PD
- MEYLE: 1 15 521 1002
- MEYLE: 1155212102PD
- MGA: D970
- MINTEX: MDC365
- MOTAQUIP: LVBD139
- MOTRIO: 8671010020
- MTR: 561178B
- NAPA: PBD8412
- NATIONAL: NBD035
- NATIONAL: PBD035
- NECTO: WN340
- NEW BLOX: NB011950V04F
- NiBK: RN1279
- NK: 204724
- NK: 314724
- OBTEC A/S: 815421038V
- Omnicraft: 2134000
- OPEN PARTS: BDA1027.20
- OPEN PARTS: BDR102720
- OPEN PARTS: BDA102720
- OPTIMAL: BS-0840
- OPTIMAL: BS0840
- OPTIMAL: BS0840C
- OSSCA: 03199
- PAGID: 53930
- PAGID: 53930PRO
- PATRON: PBD1517
- PEX: 140027
- PEX: 140027N
- PILENGA: V151
- PIM: A003
- PROCODIS FRANCE: JDF183
- Professional Parts: 51422009
- PROTECHNIC: PRD2110
- QUARO: QD5367
- QUINTON HAZELL: BDC3309
- QUINTON HAZELL: BDC3476
- R BRAKE: 78RBD23975
- RAICAM: RD00854
- RAMEDER: T0620247
- RAMEDER: T0620741
- RECOFICIAL: 801041
- RECOFICIAL: 78BD3975
- REMSA: 608410
- REMSA: 6084.10
- REMY: RAD1223
- REMY: RAD1223C
- REPSTAR: VW03101029
- RIDEX: 82B0044
- ROADHOUSE: 608410
- RODLeichtmetall: A898674
- RODLeichtmetall: A898675
- ROTINGER: RT2009GLT3
- ROTINGER: RT2009GLT9
- ROTINGER: RT2009GLT6
- ROTINGER: RT2009
- ROTINGER: RT2009GLT5
- ROTINGER: RT2009GL
- RUVILLE: BFR370410
- SAMKO: A1071V
- SAMKO: A1071VR
- SASIC: 9004219J
- SB: BR33134T
- sbs: 1815204724
- sbs: 1815314724
- SEAT: 321615301C
- SEAT: 841615301
- SEAT: 6N0615301G
- SEAT: 3256152891
- SEAT: 321615301A
- SEAT: 321615301B
- SEAT: JZW615301K
- SEBRO: 7129
- SIGMAUTO: DBA175V
- SKODA: 841615301
- SKODA: 321615301A
- SKODA: 6N0615301G
- SKODA: 321615301C
- SKODA: 321615301B
- SKODA: 3256152891
- ST-TEMPLIN: 0311010030
- ST-TEMPLIN: 010506107199
- ST-TEMPLIN: 53.111.10030
- ST-TEMPLIN: 0311010035
- ST-TEMPLIN: 5311110030
- ST-TEMPLIN: 5311010030
- ST-TEMPLIN: 53.110.10030
- Stark: SKBK1090186
- Stark: SKBD0020045
- STARLINE: PB2009
- STARLINE: PB2009C
- STARMANN: TS1062
- STELLOX: 60204724VSX
- STELLOX: 60204724VKSX
- STOP: 561178S
- SWAG: 32 90 2121
- SWAG: 32908557
- SWAG: 32 90 8557
- Technika: 755233
- TEXTAR: 92012103
- TEXTAR: 89012200
- TEXTAR: 92012105
- TEXTAR: 92012100
- TEXTAR: TXD0024
- TEXTAR: 98200012101
- TEXTAR: 89009200
- TOMEX Brakes: TX7046
- TOPRAN: 103407
- TOPRAN: 103 407
- TQ: TQDP080
- TQ: 140173
- TQ: 222786
- TREVI AUTOMOTIVE: BD1092
- TRISCAN: 812029103
- TRISCAN: 812029103C
- TRUCKTEC AUTOMOTIVE: 0735029
- TRUSTING: DF242
- TRW: DF1517
- TRW: RCDI01020
- TRW: DF1517S
- TRW: DF1520
- TRW-LUCAS: DF1517
- VAICO: V1080052
- VAICO: V10-80052
- VALEO: 672616
- VALEO: 186246
- VALEO: 186032
- VALEO: 185020
- VEMA: 98023
- vika: 66150022601
- VILLAR: 6280651
- VOLKSWAGEN: 321615301A
- VOLKSWAGEN: 841615301
- VOLKSWAGEN: 6N0615301G
- VOLKSWAGEN: 3256152891
- VOLKSWAGEN: 321615301B
- VOLKSWAGEN: 321615301C
- VW: 6KS615301
- VW: JZW615301K
- VW: 321615301A
- VW: 321615301B
- VW: 321615301C
- VW: 5W0615301
- VW: 6N0615301G
- VW: 841615301
- VW: 3256152891
- VW (SVW): 5W0615301
- WAGNER: WGR01751
- WAGNER: WGR0175-1
- WOKING: D608410
- WÜRTH: 980820106
- WVA: 98200 0121 0 1
- WVA: 98200 0121
- ZEKKERT: BS5070
- ZIMMERMAN: 600.1594.52
- ZIMMERMAN: 600.1594.20
- ZIMMERMANN: 600159452
- ZIMMERMANN: 600159400
- ZIMMERMANN: 600159475
- ZIMMERMANN: 600159470
- ZIMMERMANN: 600159420
- ZIMMERMANN: 600159472



